産業用ファン・ポンプ向けIPMモジュール
産業用ファン・ポンプ向けIPMモジュール
IPM(インテリジェント・パワー・モジュール)は、産業用ファンや各種出力クラスの省エネルギーポンプなどの産業分野で広く使用されています。
IPMモジュールは、産業オートメーションを実現するために不可欠な中核部品です。産業オートメーションの規模が拡大し続ける中、市場におけるIPMモジュールの需要も着実に増加しており、非常に良好な長期的成長性を示しています。
産業用電気機器では、パワーデバイスに対して高い信頼性が求められます。多くの場合、高出力IPMモジュールが採用され、優れた放熱性能と複数の保護機能によって、産業設備および電力系統の安全な運転が確保されています。
産業用途向けとして、Baoquan Zhijieはさまざまなパッケージ形態および先進技術を用いたIPM製品を開発しています。
これらのIPMモジュールは以下の特長を備えています:
高い集積度
高い電力密度
優れた放熱性能
多重保護機能を内蔵
システム全体の信頼性および耐ノイズ性能の向上
これらの特長により、Baoquan ZhijieのIPMモジュールは産業市場において高い評価と信頼を獲得しています。
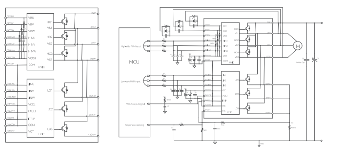
産業用ファン・ポンプ ― アプリケーションシステム構成図

産業用ファン・ポンプ ― 代表的な回路トポロジー




