Wind Energy(風力発電システム)
風力発電システム(Wind Energy Systems)とは
風力発電は、風の運動エネルギーを機械エネルギーに変換し、
それをさらに電気エネルギーへ変換するクリーンな発電方式です。
燃料を必要とせず、放射線や大気汚染物質を排出しないため、環境に優しい再生可能エネルギー源として世界的に注目されています。

風力発電の仕組み
風力タービンのブレードが風を受けて回転し、その回転エネルギーを発電機に伝えて電力を生成します。
この過程で、風力コンバータ(Wind Power Converter)が重要な役割を果たします。
コンバータは発電機からの可変電圧・可変周波数の電力を、送電網に適した安定したAC電力に変換します。
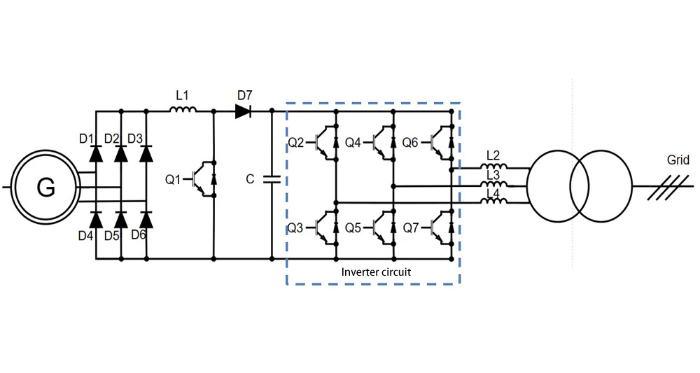
風力発電用コンバータの構成
整流ステージ: 発電機からの交流を直流に変換。
DCリンク: 電圧を安定化し、エネルギーを一時的に蓄積。
インバータステージ: DC電力を再びACに変換し、グリッドに供給。
制御ユニット: 電圧・電流・回転数をリアルタイムで制御し、発電効率を最適化。
応用システム構成図

Baoquan Zhijieのソリューション
Baoquan Zhijieは、風力発電システムに最適な1700V・50A〜900AクラスのIGBTモジュールを中心に、
高効率な電力変換を実現するSiC MOSFET、ダイオードモジュール、
および統合型パワーモジュールを提供しています。
これらの製品は、低損失・高耐圧・高信頼性を兼ね備え、風力発電の効率・信頼性・拡張性を大幅に向上させます。
なぜBaoquan Zhijieなのか
当社の半導体ソリューションは、厳しい環境条件下でも安定した動作を維持し、
長期運用における保守コストを削減します。
また、風力発電向けのパワーコンバータや制御ユニットにおいて、 高効率・軽量・モジュール化設計を実現することで、
次世代のクリーンエネルギー供給を支えています。



